德国菲索AFRISO--烟气分析仪|压力表|分集水器|自动排气阀|电热执行器

温度测量

应用于工业领域的压力测量、温度测量和液位测量,以及工业冷却等系统的控制部件

首 页 >产品中心 >工业测量及控制 >温度测量 >热电阻温度计

热电阻温度计

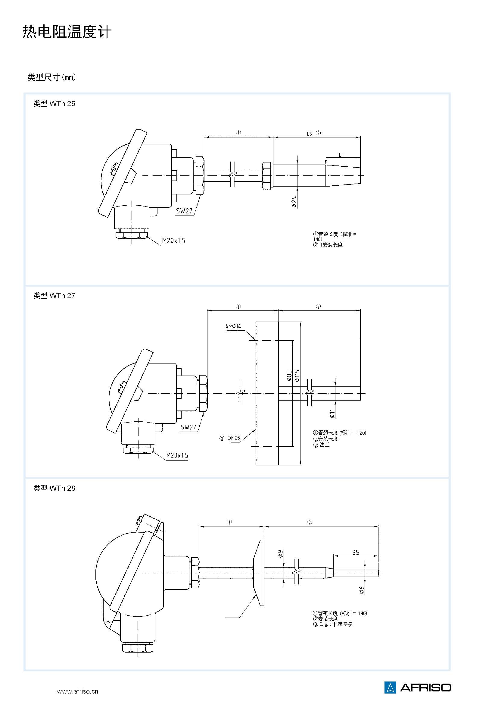
WTh 27

用于中压和流动负载的法兰式电阻温度计

传感器

1 x Pt 100

2,3或4线

B级,IEC 751

传感器安装

可替换的,Ø 6 mm

法兰护套管

一些零件 Ø 11 x 2 mm

法兰连接符合EN 1092-1 B1型,DN 25, PN 40 不锈钢316Ti

管颈

Ø 11 x 2 mm, 120 mm长

不锈钢316Ti

安装长度

100, 160, 250, 400 mm

接线盒(防护等级)

符合DIN 43729  B型

铝压铸 (IP54)

量程

-35/+400 °C


联系电话
联系电话
销售热线:0512-68079470
返回顶部

版权©2026菲索测量控制技术(苏州)有限公司 | 进口烟气分析仪,手持式烟气分析仪,压力表,自动排气阀,电热执行器,德国分水器,进口分水器苏ICP备 06028726号-1 苏公网安备 32050502000915号

法律声明